更多型号,请参见
GB/T 11263
新编常用材料计算手册 杨广钧编
扫一扫在手机上阅读

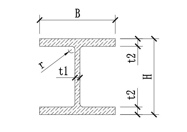
H—高度;B—宽度;t1—腹板厚度;t2—翼缘厚度;r—工艺圆角
| 代号 | 规格 高H X 宽B mm | 截面尺寸 mm | 理论质量 kg/m | ||||
| H | B | t1 | t2 | r | |||
HW 宽翼缘 H型钢 | 100X100 | 100 | 100 | 6 | 8 | 8 | 16.9 |
| 125X120 | 125 | 125 | 6.5 | 9 | 8 | 23.6 | |
| 150X150 | 175 | 175 | 7.5 | 11 | 13 | 40.4 | |
200X200 | 200 | 200 | 8 | 12 | 13 | 49.9 | |
| 250X250 | 250 | 250 | 9 | 14 | 13 | 71.8 | |
| 300X300 | 300 | 300 | 10 | 15 | 13 | 93.0 | |
| 350X350 | 350 | 350 | 12 | 19 | 13 | 135 | |
| 400X400 | 400 | 400 | 13 | 21 | 22 | 172 | |
代号 名称 | 规格 高H X 宽B mm | 截面尺寸 mm | 理论质量 kg/m | ||||
| H | B | t1 | t2 | r | |||
HM 中翼缘 H型钢 | 150X100 | 148 | 100 | 6 | 9 | 8 | 20.7 |
| 200X150 | 194 | 150 | 6 | 9 | 8 | 29.9 | |
| 250X175 | 244 | 175 | 8 | 12 | 13 | 55.8 | |
| 300X200 | 294 | 200 | 9 | 14 | 13 | 64.4 | |
| 350X250 | 340 | 250 | 9 | 14 | 13 | 78.1 | |
| 400X300 | 390 | 300 | 10 | 16 | 13 | 105 | |
| 450X300 | 440 | 300 | 11 | 18 | 13 | 121 | |
| 500X300 | 488 | 300 | 11 | 18 | 13 | 125 | |
| 600X300 | 588 | 300 | 12 | 20 | 13 | 147 | |
代号 名称 | 规格 高H X 宽B mm | 截面尺寸 mm | 理论质量 kg/m | ||||
| H | B | t1 | t2 | r | |||
HN 窄翼缘 H型钢 | 150X75 | 150 | 75 | 5 | 7 | 8 | 14.0 |
| 175X90 | 175 | 90 | 5 | 8 | 8 | 18.0 | |
| 200X100 | 200 | 100 | 5.5 | 8 | 8 | 20.9 | |
| 250X125 | 250 | 125 | 6 | 9 | 8 | 29.0 | |
| 300X150 | 300 | 150 | 6.5 | 9 | 13 | 36.7 | |
| 350X175 | 350 | 175 | 7 | 11 | 13 | 49.4 | |
| 400X150 | 400 | 150 | 8 | 13 | 13 | 55.2 | |
| 400X200 | 400 | 200 | 8 | 13 | 13 | 65.4 | |
| 450X150 | 450 | 151 | 7 | 12 | 13 | 52.6 | |
| 450X200 | 450 | 200 | 9 | 14 | 13 | 74.9 | |
| 500X150 | 504 | 153 | 10 | 18 | 13 | 81.1 | |
| 500X200 | 500 | 200 | 10 | 16 | 13 | 88.1 | |
| 550X200 | 550 | 200 | 10 | 16 | 13 | 92.0 | |
| 600X200 | 600 | 200 | 11 | 17 | 13 | 103 | |
| 625X200 | 630 | 200 | 15 | 20 | 13 | 133 | |
| 700X300 | 700 | 300 | 13 | 24 | 18 | 182 | |
| 800X300 | 800 | 300 | 14 | 26 | 18 | 207 | |
| 900X300 | 900 | 300 | 16 | 28 | 18 | 240 | |
https://jhtyjgw.com/cp-info.php?classID=18&id=657
https://jhtyjgw.com/cp-info.php?classID=18&id=656
https://jhtyjgw.com/cp-info.php?classID=18&id=655
https://jhtyjgw.com/cp-info.php?classID=18&id=654
https://jhtyjgw.com/cp-info.php?classID=18&id=653
给大家推荐一本书
新编常用材料计算手册
基本可以满足景观施工图中大多数的需求
建议人手一册
方便随时查询
------END------
更多型号,请参见
GB/T 11263
新编常用材料计算手册 杨广钧编
以上内容仅给读者提供学习交流使用
欢迎通过“联系我们”页面的联系方式
发来您的建议
致 读 者
欢迎广大读者和园林爱好者踊跃发布
园林专业帖子
园林建材信息
以及
相关施工工艺做法
投稿请到“联系我们”页面
获取投稿模板和投递地址

扫一扫关注微信